English
全部
搜索
图片
视频
短视频
地图
资讯
更多
购物
航班
旅游
笔记本
报告不当内容
请选择下列任一选项。
无关
低俗内容
成人
儿童性侵犯
时长
全部
短(小于 5 分钟)
中(5-20 分钟)
长(大于 20 分钟)
日期
全部
过去 24 小时
过去一周
过去一个月
去年
清晰度
全部
低于 360p
360p 或更高
480p 或更高
720p 或更高
1080p 或更高
源
全部
Dailymotion
Vimeo
Metacafe
Hulu
VEVO
Myspace
MTV
CBS
Fox
CNN
MSN
价格
全部
免费
付费
清除筛选条件
安全搜索:
中等
严格
中等(默认)
关闭
筛选器
0:37
The story follows a teenager named Wade Watts 🚀
已浏览 170 次
3 个月之前
YouTube
Savage Ink
2:10
DigiTech JamMan Solo XT and Express XT Pack - DigiTech JamM
…
已浏览 1.8万 次
2014年6月13日
YouTube
American Musical Supply
4:26
FUNDAMENTAL UNIT OF LIFE HINDI PART-1 | CELL | NCERT CL
…
已浏览 1.6万 次
2019年4月9日
YouTube
Grade booster
2:28
Development of AOI (Automatic Optical Inspection ) - Laboratory P
…
已浏览 524 次
2018年1月22日
YouTube
ihsan hariadi
3:29
Control
已浏览 6435 次
2015年4月4日
YouTube
Ini Kamoze - Topic
4:31
Thaddi Baddi
已浏览 556.2万 次
7 个月之前
YouTube
Veer Sahu - Topic
3:37
Ich & Du
已浏览 43.2万 次
2015年9月19日
YouTube
Gestört aber GeiL - Topic
13:00
Control del Castor / Control Beavers Tierra del Fuego 2020 #americanai
…
已浏览 27万 次
2020年4月25日
YouTube
PATAGONIA AIRGUNS CHILE
2:42
Promise You Anything
已浏览 7239 次
2014年11月20日
YouTube
Stacey Earle - Topic
0:30
Hounds Of Love | Official UK 30s Trailer
已浏览 7.7万 次
2017年8月11日
YouTube
Arrow Video
VSG25A Vector Signal Generator | Signal Hound
已浏览 25 次
3 周前
signalhound.com
1:54
WAGNER CONTROL PRO. Puesta en marcha
已浏览 4914 次
2017年7月17日
YouTube
Jose Manuel de la Rosa Guisado
4:31
Eagle Racing TT02 GRT RWD Version 2 [ Burnout Demon ]
已浏览 3.3万 次
2016年7月7日
YouTube
Bluestar4u
15:18
Drum Stroke Science, Part Two by John Donovan
已浏览 1840 次
2011年2月13日
YouTube
JohnDonovanDotBiz
5:15
Hora de Aventura | Problemas En El Espacio Grumoso | Cartoon Netw
…
已浏览 22.9万 次
2017年2月16日
YouTube
Hora de Aventura LA - Adventure Time
3:32
Turn It On, Turn It Up, Turn Me Loose - Dwight Yoakam | Karaoke
…
已浏览 39.7万 次
2014年10月10日
YouTube
KaraFun Karaoke
0:34
COOKING ODYSSEY INTRO VIDEO SEASON 3
已浏览 4.7万 次
2015年7月1日
YouTube
The Cooking Odyssey
VSG60A — 6 GHz Vector Signal Generator | Signal Hound
1 个月前
signalhound.com
0:29
XCOM Enemy Within Cheats: Infinite Health, 100% Accuracy | X
…
已浏览 1.1万 次
2013年11月22日
YouTube
Xploder Cheats
5:41
Virtual tour of INS Kolkata (English)
已浏览 32.8万 次
2021年12月6日
YouTube
Indian Navy
0:32
Square Wave Generator Using 555 Timer - The Clock Pulse Heartbeat
…
已浏览 372 次
4 个月之前
YouTube
BrainwiredTech
4:19:07
【#H3】ロケットアイドル #Vtuber とH3ロケットのプレスキットを読む‼
…
已浏览 3632 次
2023年2月16日
YouTube
宇推くりあ -★Clear Usui Rocket ch.★-
1:01
I see a world of opportunities! Don’t let someone’s opinion cast a shad
…
已浏览 25.3万 次
2024年6月9日
TikTok
ana.fitness.vsg
7:31
Planificación y control seguridad laboral. [09]. Carga mental.
已浏览 2670 次
2010年11月5日
YouTube
Europa Audiovisual | Documentales
20:19
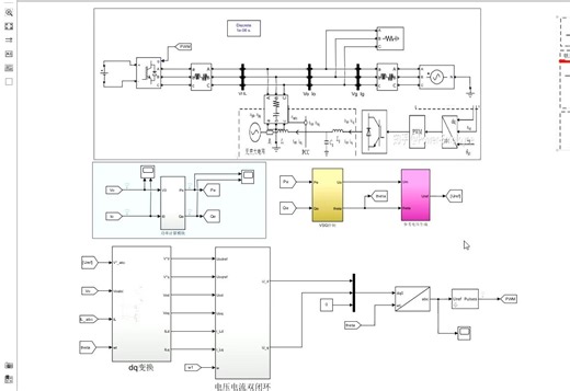
电压型虚拟同步发电机(VSG)讲解(二)——小信号模型--传递函数、仿真验
…
已浏览 3.2万 次
2022年8月31日
bilibili
戮梁者
46:32
构网型虚拟同步机(VSG)控制基础仿真汇总
已浏览 2.5万 次
2023年12月31日
bilibili
环球电力电子小店
2:08:45
手把手搭建基于虚拟同步发电机(VSG)的三电平逆变并网系统的仿
…
已浏览 7.1万 次
2023年8月14日
bilibili
電気之空
4:55
VSG控制策略
已浏览 502 次
2024年11月17日
bilibili
做一个合格的枪手
17:03
电压型虚拟同步发电机(VSG)讲解(一)与Simulink仿真模型功能展示—
…
已浏览 5.2万 次
2022年8月22日
bilibili
戮梁者
3:04
虚拟同步发电机VSG(三)双机并联 预同步 并联运行 MATLAB/Simuli
…
已浏览 1418 次
2024年9月5日
bilibili
大牛电气
展开
更多类似内容
反馈